Telefon: +49 (0) 8036 6749790 | info@elektrotechnik-schabus.de

Telefon: +49 (0) 8036 6749790 | info@elektrotechnik-schabus.de

  • Home
  • Produkte
    • Abluft- & Klimasteuerung
    • Warnsysteme Gas & Rauch
    • CO-2 Ampeln & Zubehör
    • Warnsysteme Wasser
    • Anlaufstrombegrenzer, Kabel & Reedkontaktschalter
    • Lighting Division
  • dgwt_wcas_search_box
  • SCHABUS Aktuell
  • Über uns
    • Jobs
  • Kontakt
    • Downloads
0 Compare
Login / Register
Sign inCreate an Account

Lost your password?

0 items 0,00 €
[weglot_switcher]
0 items 0,00 €
Menu
Home Warnsysteme Gas & Rauch PROF. GAS ALARM GX-C300S
SHT 8080 aktiver Mini-Schwimmerschalter
SHT 8080 aktiver Mini-Schwimmerschalter 88,99 €
Back to products
Staubfilter Ersatz für GX-C300P
Staubfilter Ersatz für GX-C300P 29,90 €
Hot
Click to enlarge

PROF. GAS ALARM GX-C300S

389,00 €

  • Überwachung der Verbrennungsstätten / Gasthermen bei Austritt von Kohlenmonoxid (CO)
  • Abschaltung der Gefahrenquelle im Alarmfall
  • CO-Sensor nach DIN EN 50291, TÜV geprüft, hochpräzise CO-Messung mit ppm-genauer Anzeige, intelligentes Sensorsystem zur Vermeidung von Fehlalarmen
  • mit zusätzlichem externen GX-SE Stadt-, Erd- und Flüssiggas
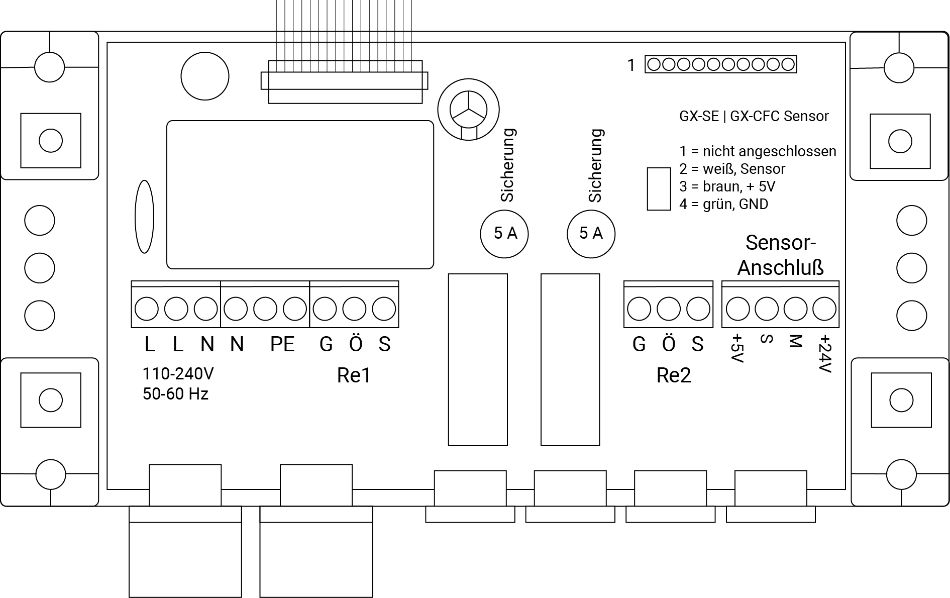
  • 110-230 V, 2 potentialfreie Wechsler-Relais (max. 5 A)
  • akustische und optische Warnung
  • Überwachung, Speicherung und Anzeige von Betriebszuständen im Klartext Display
  • integriertes Schaltnetzteil für geringen Strombedarf
  • Einsatz in Aufenthaltsräumen in Blockheizkraftwerk-  und Biogas-Anlagen, offene Gas-Kochstellen in der Gastronomie, Heiz- und Wirtschaftsräume mit Gas-Übergabestelle, Verriegelung der Gaszufuhr mit Magnetabsperrventil bei Austritt von CO oder Gas, Überwachung großer Kühlanlagen mit optionalem FKW-Sensor GX-CFC (Art.-Nr. 200901)
✅ Rabatte für Fachbetriebe & Wiederverkäufer
📞 Persönliche Fachberatung (kein Call-Center!)
⭐ Reparaturservice über gesetzliche Garantie hinaus
SKU: 300265 Category: Warnsysteme Gas & Rauch Tags: CO Gasmelder, Gasmelder CO und ext. SE
  • Description
  • Additional information
  • Reviews (0)
Description

Lieferumfang

  • Gasmelder GX-C300S
  • CH4 Sensor GX-SE
  • 4x Befestigungsschrauben
  • Betriebs- und Montage-Anleitung

 

Das professionelle Kohlenmonoxid Warngerät mit internem CO-Sensor, ist hier mit einem zusätzlichen externen Stadt- und Erdgas-Sensor ausgestattet, der das gesamte System zum perfekten Warngerät für den Heizungsraum macht, in dem eine Gas-Heizung oder -Therme installiert ist. So wird neben dem lebensgefährlichen CO auch ein evtl. austretendes Stadt- und Erdgas detektiert und alarmiert. CO-Sensor, Messzelle, Auswertung und Software wurden einer aufwendigen Vollprüfung nach DIN EN 50291 beim TÜV Süd unterzogen, Sicherheit und Stabilität wurden dem System bescheinigt.

Ein Relais schaltet bei CO- oder Gas-Alarm, ein weiteres Relais bei festgestellten technischen Störungen. Das im Überwachungsmodus angezogene Alarm-Relais fällt bei festgestelltem Gas (Methan, Butan, Propan, Ethanol) oder bei Überschreitung der von der Norm vorgegebenen CO-Konzentration ab und kann so im Gefahrenfall die Heizungsanlage mit ihrem Magnetabsperrventil ausschalten, um ein weiteres Nachströmen toxischer oder brennbarer Gase zuverlässig zu verhindern.

Somit ist dieses System prädestiniert, in Häusern den Heiz- und Wirtschaftraum zu überwachen, in dem sich auch die Gas-Armaturen befinden und im Gefahrenfall abzuschalten, sowie Gebäudeleittechnik oder Hausautomation zu informieren.

Die Montage muss durch eine qualifizierte Fachkraft erfolgen. Bitte beachten Sie die fünf Sicherheitsregeln!

Der Gas-Alarm GX-C300S darf nur in trockenen Innenräumen an einer Wand installiert werden. Wählen Sie die Montageposition so, dass das Display im Stehen gut ablesbar ist. Somit ist eine einwandfreie Funktion des Warngerätes gewährleistet.

 

Hinweis: Die Bezeichnung „CH4“ auf Gerät und Display steht der Einfachheit halber stellvertretend für alle vom ext. Sensor detektierbaren Gase, Kühl- und Kältemittel.

 

WEEE-NR.: DE91394868

Additional information
Betriebsspannung

110 – 240 V~ AC / 50-60 Hz

Leistungsaufnahme

2-8 VA, je nach Betriebszustand

Relaiskontakt

2 Wechsler nc/no potentialfrei

Relais1

250 V~ AC / 5 A, Alarm

Relais2

60 V= DC / 5 A, Störung

Schalldruckpegel

85 dB(A) (1m Abstand)

Funktionsbereich

–

Sensorbetriebsspannung

+24V =

Steuergerät

-15°C … +45°C, 10 … 90% rH, nicht kondens.

Sensor

0°C … 60°C / 10 … 90% rH, nicht kondensierend

GX-SE Konzentration

12 % UEG, Methan 5000ppm

Lebensdauer

10 Jahre @ max. 28°C + min. 30% rH, 6 Jahre @ max. 40°C + min. 40% rH

CO-Konzentration

0…330ppm, Auslösung nach Norm

Genauigkeit

<+/- 1%, <+/-2ppm, werkskalibriert

Schutzart

IP 54

Abmessungen (HxBxT)

80x160x55 mm

Anzeige

2 x 16 Zeichen, Display, Text englisch, weiß/blau beleuchtet

Reviews (0)
Rated 0 out of 5
0 reviews
Rated 5 out of 5
0
Rated 4 out of 5
0
Rated 3 out of 5
0
Rated 2 out of 5
0
Rated 1 out of 5
0

Reviews

Clear filters

There are no reviews yet.

Only logged in customers who have purchased this product may leave a review.

You may also like…

Compare

Gassensor GX-CFC für Kältemittel

119,00 €
Rated 3.00 out of 5
Add to cart
Compare

Kabelverschraubungen SET Zubehör SHT 5000

9,90 €
Add to cart

Related products

Compare

GAS ALARM GX-D33

179,50 €
Rated 5.00 out of 5
Add to cart
Compare

GAS ALARM GX-B3

159,00 €
Add to cart
Compare

GAS ALARM GX-B1pro

109,00 €
Rated 5.00 out of 5
Add to cart
Compare

GAS ALARM GX-D2

139,00 €
Rated 5.00 out of 5
Add to cart
Diebstahlssicherung für Steckdosengeräte
Compare

Diebstahlssicherung für Steckdosengeräte

13,23 €
Add to cart
Compare

GAS ALARM GX-B2pro

119,00 €
Rated 5.00 out of 5
Add to cart
Compare

PROF. CO ALARM GX-C300P

399,00 €
Rated 5.00 out of 5
Add to cart
Hot
Compare

CO ALARM GX-C3pro

179,00 €
Rated 5.00 out of 5
Add to cart
Hot
Compare

GAS ALARM GX-A1+

269,00 €
Rated 5.00 out of 5
Add to cart
Compare

CO2 ALARM GX-D1

139,00 €
Rated 5.00 out of 5
Add to cart
Kleinhupe-Warnleuchte
Compare

Kleinhupe-Warnleuchte

129,00 €
Rated 5.00 out of 5
Add to cart
10-Jahres-Funk-CO-Melder Ei208iW
Compare

10-Jahres-Funk-CO-Melder Ei208iW

49,00 €
Add to cart
Rechtliches

Impressum

AGB | Allgemeine Geschäftsbedingungen

Widerrufsrecht

Zahlung | Versand

Privatsphäre | Datenschutz

 

Anschrift | Kontakt

Elektrotechnik Schabus GmbH & Co. KG
Baierbacher Straße 150
D – 83071 Stephanskirchen

Tel: +49 (0) 80 36 / 674 979 – 0

info@elektrotechnik-schabus.de

Öffnungszeiten

Montag – Donnerstag
8:00 – 12:00 | 13:00 – 17:00

Freitag
8:00 – 12:00

Das Beste aus dem Netz – direkt von uns

[social_buttons type=”follow”]

Close
  • dgwt_wcas_search_box
  • Abluft- & Klimasteuerung
  • Warnsysteme Gas & Rauch
  • CO-2 Ampeln & Zubehör
  • Warnsysteme Wasser
  • Anlaufstrombegrenzer, Kabel & Reedkontaktschalter
  • Lighting Division
  • Kontakt
  • Downloads
  • SCHABUS Aktuell
  • Über uns
    • Jobs
  • Compare
  • Login / Register
Shopping cart
Close
Facebook Twitter Instagram YouTube linkedin
PROF. GAS ALARM GX-C300S

PROF. GAS ALARM GX-C300S

389,00 €
Compare
Shop
0 items Cart
My account
Menu