📦 Lieferumfang
- Wassermelder SHT 5000 12-24 V (ohne Wassersensor oder Schwimmerschalter)
- Montagematerial (4 Schrauben + Dübel)
- ausführliche Betriebsanleitung
💧 SHT 5000 12-24 V – der Profi-Wassermelder für vielseitige Einsätze
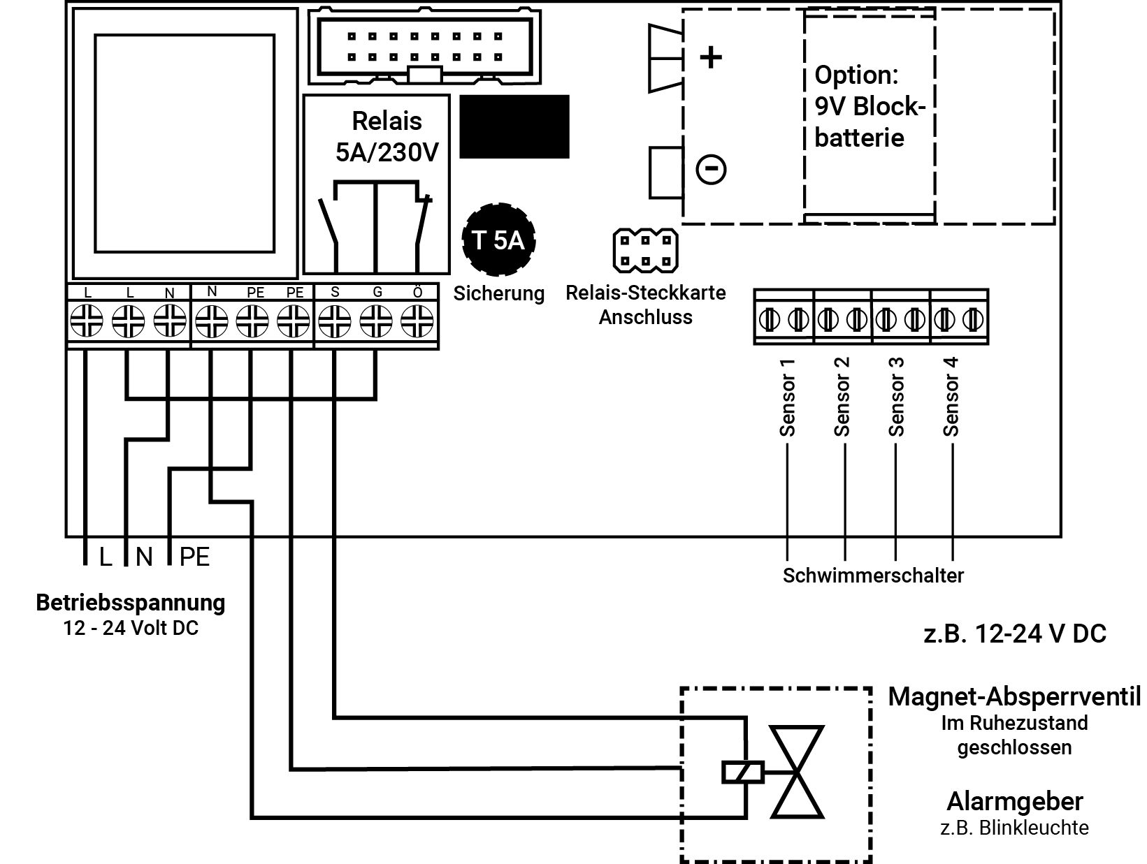
Der netzbetriebene SHT 5000 12-24 V ist ein vielseitiger Profi-Wassermelder zur gleichzeitigen Überwachung von bis zu vier getrennten Meldebereichen – etwa in verschiedenen Räumen oder Zonen eines Objekts. Pro Eingang können mehrere Sensoren oder Schwimmerschalter parallel betrieben werden, solange die Gesamtlänge der Steuerleitung 50 m je Meldelinie nicht überschreitet. Die Steuerleitungen können verlängert werden, müssen jedoch dünn sein! Maximal 2x 0,14mm² (LiYY) bei maximal 50 Meter pro Meldelinie, bei Parallelschaltung werden die einzelnen Längen addiert, z.B. max. 20m + 30m Sensorleitung.
Ideal für Keller, Technikräume, Pumpensümpfe, Zisternen, Flachdächer und viele weitere Anwendungen. Ob Wassereinbruch, Trockenlauf oder Füllstandsüberwachung. Betrieb an 12V- oder 24V-Akkus und entkoppelten Boardspannungsnetzen für den mobilen Einsatz auf der Yacht, in LKW, Wohnmobilen oder der Landwirtschaft. Mit akustischem und optischem Alarm, Schaltausgang und Erweiterungsmöglichkeiten ist der SHT 5000 flexibel einsetzbar – auch für Smart-Home-Lösungen via WWD 200 Adapter (Artikel 200200)
Für nicht-leitende Flüssigkeiten können Sie unsere SCHABUS Minischwimmerschalter in Kunststoff oder V2A oder V4A installieren. Dabei auch wieder die Gesamtlänge der Steuerleitung beachten.

IP 65 gegen Aufpreis auf Anfrage. Bei Interesse kontaktieren Sie uns bitte vor Ihrer Bestellung per E-Mail oder dem Kontaktformular.
Wassersensor oder Mini-Schwimmerschalter bitte mit bestellen!
- Sensoren nur für regelmässig trockene Umgebungen geeignet, reagieren bei geringen Wassermengen, sobald der leitfähige Wasserfilm beide Kontakte berührt.
- leitfähiges Wasser erforderlich (Leitungswasser, Regenwasser, Süßwasser), Widerstand muss kleiner ca. 80 kOhm sein
- entmineralisiertes / destilliertes Wasser oder Kondenswasser hat zu geringe oder sogar keine Leitfähigkeit
- passive Sensoren geben kein Signal aus und verändert nicht die Eigenschaften bei Kontakt mit Wasser
- für Wasserstand bitte Mini-Schwimmerschalter einsetzen. (z.B. in Schächten, Tanks, Pumpensümpfen und ähnliches), Mindestpegelhöhe 4 cm
🛠️ Typische Einsatzbereiche
-
Wassereinbruch im Gebäude (Waschkeller, Technikraum, Bad)
-
Zisternen- oder Tanküberwachung (Füllstand, Überlauf, Trockenlauf)
-
Flachdachüberwachung
-
Werkstatt, Garage, Hobbyraum
-
Anwendungen mit gefährlichen Flüssigkeiten (mit Schwimmerschalter)
-
Boot, Jacht, Schiff, LKW, Wohnmobile und Landwirtschaft.
WEEE-NR.: DE91394868

Verified owner Andre (verified owner) –
Verified owner Rainer Zerres (verified owner) –
Verified owner Hannes Peter (verified owner) –
Verified owner Josef Okle (verified owner) –